Bulgar SG-Lab firmasının 2,4 GHz 20 W güç amplifikatörü, OM’ler (QO-100 uydu fanları dahil) arasında yaygın olarak kullanılmaktadır [1]. Cazip fiyatının yanı sıra, bu durum frezelenmiş alüminyum gövdedeki mükemmel işçilik ve teslimattan da kaynaklanmaktadır. PA, giriş, çıkış ve yansıyan gücü ölçmek için üç dahili yönlü bağlantı elemanı içerir.
Burada sunulan PA monitörü, uygun şekilde değiştirilirse diğer PA’lar için de kullanılabilir ve aşağıdaki işlevleri sunar:
– DRV, FWD ve REF güçlerinin ölçülmesi ve görüntülenmesi
– Duran dalga oranı SWR’nin hesaplanması ve görüntülenmesi
– Çalışma voltajının görüntülenmesi
– PA sıcaklığının ölçülmesi ve görüntülenmesi
– Sıcaklık aşıldığında fanlar için anahtarlama işlevi

Şekil 1. SG-Lab PA, Yönlü Bağlantı Elemanlarının Beslemeli Kapasitörler Aracılığıyla Bağlanması
Yönlü kuplör DRV’nin kalibrasyon eğrisi (kırmızı) Şekil 2’de, FWD eğrisi ise Şekil 3’te gösterilmiştir. Ölçüm noktaları bana SG-Lab.com tarafından sağlanmıştır ve birçok kopyanın ortalamasını temsil etmektedir. REF kuplörü aynı şekilde yapılandırıldığı ve FWD kuplörüne simetrik olarak yerleştirildiği için aynı karakteristiğe sahip olabilir. Ancak genel olarak, yüksek yansıyan güçlü bir REF’in (SWR) transistör çıkış katını öldürebileceği unutulmamalıdır. Hata toleransı, voltaj değerlerine bağlı olarak ± %7 olmalıdır. Karakteristik eğrinin dikliği nedeniyle, güce göre hata buna bağlı olarak daha büyüktür (yeşil alan). Kuplörün seçiciliği olarak 22 dB – 25 dB değeri belirtilmiştir.
Şekil 2 Giriş Gücü DRV Kalibrasyon Eğrisi

Şekil 3 Çıkış Gücünün FWD Kalibrasyon Eğrisi
Dijital sinyal işleme için kalibrasyon eğrilerinin matematiksel bir formda olması gerekir. Eğriler , y = a + b * x + c * x * x biçimindeki 2. derece çokgen fonksiyonuyla yaklaşık olarak hesaplanmıştır.
Katsayılar, çevrimiçi bir polinom regresyon hesaplayıcısı [2] kullanılarak belirlenmiştir. Ölçüm noktası sayısı ve istenen polinom derecesi önce buraya girilir. Gerilim değerleri x sütununa, ilgili güç değerleri ise y sütununa yazılır. Kuplör diyotlarının sıcaklığı da karakteristik eğrileri etkilediğinden, 2’den yüksek bir derece değeri önerilmez. Sıcaklık etkisi, PA’nın iyi soğutulmasıyla azaltılabilir.
Karakteristik DRV, FWD ve REF katsayıları bu şekilde belirlendi. Kendi PA’nızın yön kuplör eğrilerinin SG-Lab’ın ortalama değerlerine tam olarak karşılık gelme olasılığı düşüktür. Uygun hassasiyette ölçüm cihazlarınız varsa, bunu kendiniz belirlemeniz daha iyidir (daha fazla bilgi için Dokümantasyon’a bakın ) . Kulüpten güler yüzlü bir OM size yardımcı olmaktan mutluluk duyacaktır.
PA monitörünün ölçümleri, veri işleme ve görüntüleme işlemleri, LCD tuş takımına sahip bir Arduino Uno ile gerçekleştirilir. Şekil 4, PA’ya ve Dallas DS18B20 sıcaklık sensörüne giden kabloları göstermektedir.

Şekil 4 Arduino UNO ile PA Monitörünün Kablolanması
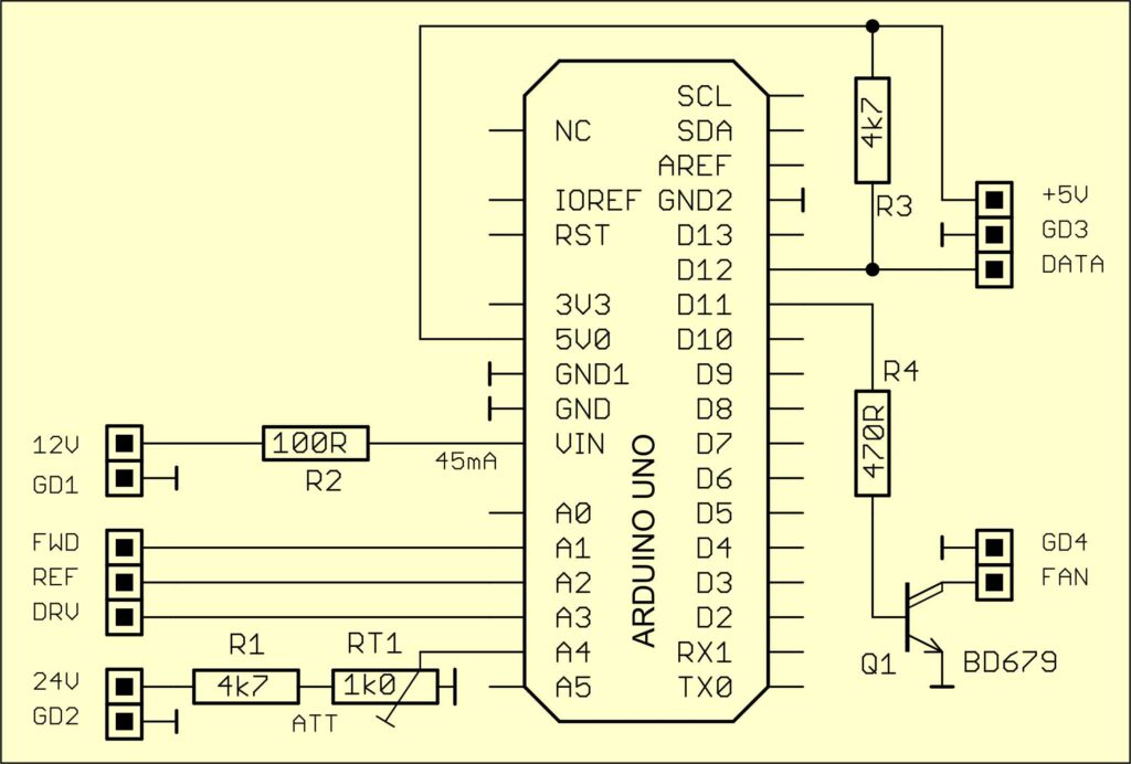
Devre (Şekil 5), geleneksel kablolama ile bir ızgara kartı üzerine kurulabilir. “Alt kalkan” kullanımı daha şıktır. 4 pinli başlıklarla donatılmış bir devre kartıdır. Bu, soket şeritlerine lehimlenmiş Arduino Uno’nun iç ped sırasına alttan takılır (Şekil 6).

Şekil 5 PA Monitörlerinin Şeması

Şekil 6 “Alt Kalkan”, PCB Düzeni ve Bileşenleri
PA monitörünün bir muhafazaya veya ön panele monte edilmesi durumunda, ekrandaki SELECT düğmesinin uzun kalemli bir düğmeyle [3] değiştirilmesi ve kontrast potansiyometresinin lehimlenerek alt tarafa yerleştirilmesi önerilir (Şekil 7).


Şekil 7 PA Monitör Menüleri ve Alt Kalkan Montajı
Dokümantasyon zip dosyasında Arduino Nano’nun daha küçük bir yapıyı uygulayan alternatif bir versiyonunu bulacaksınız.
Arduino PA monitör programı, SELECT düğmesine basılı tutularak (yaklaşık 1 saniye) sırayla seçilebilen üç menü öğesinden oluşur (Şekil 7).
Menü 1:
FWD veya REF kuplörlerinin ölçülen değerleri, çizimde tanımlanan kalibrasyon eğrilerinin minimum değerlerinin altındaysa, bu durum ekranda gösterilir. Bu durumda, SWR belirlenemez. Bu durumda, SWR yerine PA sıcaklığı görüntülenir.
Menü 2:
Ondalık noktalı sıcaklık gösterimi ve çubuk grafikte gösterimi
Menü 3:
PA’nın çalışma voltajı ve vantilatörün açılış sıcaklığının görüntülenmesi. Vantilatör aktifse, “ON” veya derece simgesi ° yanıp söner.
Taslakta ( Belgeler zip dosyasına bakın), eğrilerin kalibrasyon değerleri bir yıldız işaretiyle (******) belirtilmiştir. Bunlar, kendi kendine belirlenen katsayılarla değiştirilmelidir. Bir fanın etkinleştirildiği sıcaklık da buraya girilmelidir. Kopyaya ait tüm bilgiler hf5l.pl sunucusundan indirilebilir [4].
Ek
[1] http://www.sg-lab.com/amateur.html ; e-posta: info@sg-lab.com
[2] Ücretsiz Polinom Regresyon hesaplayıcısı; http://www.xuru.org/rt/PR.asp#CopyPaste
[3] eBay’de arayın: Anlık Dokunsal Basmalı Düğme Anahtarı 6*6*(4,3-15 mm) Mini Mikro Küçük PCB’ye Monte Edilmiş
[4] https://hf5l.pl/en/pdfs-2/